Sitemizde 3400 çeşit ürün ve bu ürünlere ait 869 adet teknik çizim bulunmaktadır.
KATEGORİLER
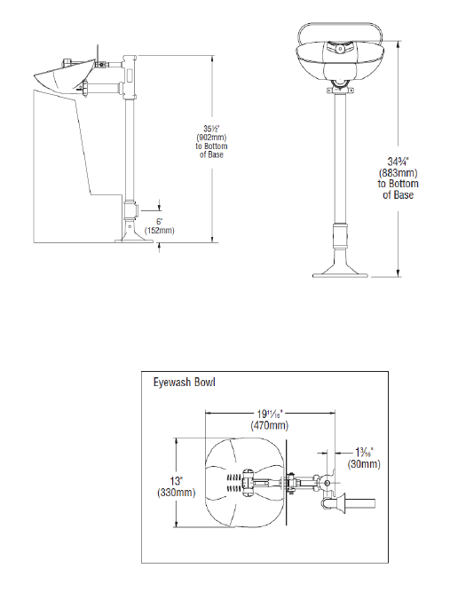
Acil Durum Yere Monte Göz Yıkama İstasyonu
Acil Durum Yere Monte Göz Yıkama İstasyonu
- Endüstriyel kullanıma uygundur
- Ana Boru üzerinde duvardan dahili 1- ¼ “ gider çıkışı
- Her yönden kolay erişimli ergonomik çalıştırma el pedalı
- Galvanizli çelik üzeri dayanıklılığı arttırılmış özel sarı kaplama
- Engelli kullanımına uygun kolay erişim
- Universal işaretler ve kullanım
- Su çıkışlarını tozdan korumak için kapak
- Yerden yükseklik 90 cm
- 19,2 lt / dak su akışı
- ½” üstten temiz su girişi
- 2 - 6,1 bar su basıncı gereklidir
- Amerikan standartlarına uygundur. ( Z358.1)
- Avrupa standartlarına uygundur. ( EN 15154-1 & EN15154-2)
 
 

Türkiye' nin Her Yerinden | 444 34 13