Sitemizde 3400 çeşit ürün ve bu ürünlere ait 869 adet teknik çizim bulunmaktadır.
KATEGORİLER
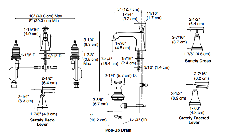
Memoirs Classic Ankastre Lavabo Bataryası 12.7 cm
Memoirs Classic Ankastre Lavabo Bataryası 12.7 cm
Kohler Türkiye, Tek Yetkili Distribütörü

- Prinç gövde
- Prinç valf gövdesi
- Gaga uzunluğu 12,7 cm
- 90º dönüşlü seramik disk - 5,7 lt / dak.
- Flexible bağlantı
- Tapa & Boğaz


Türkiye' nin Her Yerinden | 444 34 13