Sitemizde 3400 çeşit ürün ve bu ürünlere ait 869 adet teknik çizim bulunmaktadır.
KATEGORİLER
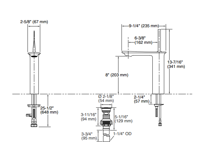
Stance Çanak Lavabo Bataryası 31.4cm
Stance Çanak Lavabo Bataryası 31.4cm

Kohler Türkiye, Tek Yetkili Distribütörü

 

 

- Prinç gövde
- Batarya Yükseklik 34,1 cm
- Gaga uzunluğu 16,2 cm
- Gaga yüksekliği 20,3 cm - 5,7 lt / dak.
- Isı kontrollü seramik disk ve joystick valf
- Yüksek ısı limitleme
- Flexible bağlantı
- Basmalı Tapa & Boğaz

 

 


RENKLER TEKNİK
Türkiye' nin Her Yerinden | 444 34 13