Sitemizde 3400 çeşit ürün ve bu ürünlere ait 869 adet teknik çizim bulunmaktadır.
KATEGORİLER
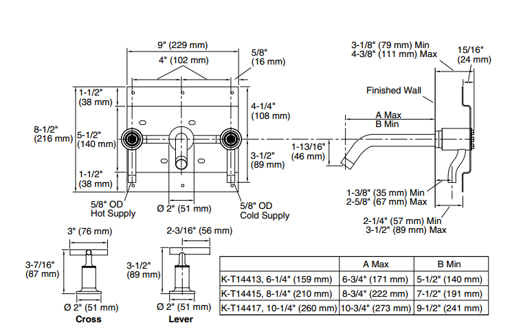
Puristic Artı Volanlı Duvardan Monte Lavabo Bataryası
Puristic Artı Volanlı Duvardan Monte Lavabo Bataryası
Kohler Türkiye, Tek Yetkili Distribütörü

- Prinç gövde
- 8.3 lt./dak
- Seramik uygulamasından önce duvar
  içi parçanın duvar kaplamasından evvel
  montajı gerekmektedir.


RENKLER TEKNİK
Türkiye' nin Her Yerinden | 444 34 13